
´°À®¥¤¥á¡¼¥¸¿Þ[½Ðŵ¡§Àîºê»Ô]
¡¡¾®Åĵޡָþ¥öµÖÍ·±à¡×±Ø¤ÎË̸ý¦¤Ç·úÀßÃæ¤Î¥¿¥ï¡¼¥Þ¥ó¥·¥ç¥ó¡Ö(²¾¾Î)¿ÀÆàÀÀîºê»Ô¿Ëà¶èÅиÍ51³¹¶è·×²è¡×(ÃϾå25³¬¡¢ºÇ¹â¹â¤µ89.98m)¤Î´°À®Í½ÁۿޤǤ¹¡£»°°æÉÔÆ°»º¥ì¥¸¥Ç¥ó¥·¥ã¥ë¤È¾®ÅĵÞÉÔÆ°»º¤Ë¤è¤ëʬ¾ù¥¿¥ï¥Þ¥ó¤Ç2025ǯ10·îÃæ½Ü½×¹©Í½Äê¤È¤Ê¤Ã¤Æ¤¤¤Þ¤¹¡£¤³¤Îµ»ö¤Ç¤ÏƱ¥¿¥ï¥Þ¥ó¤Î³µÍפä·úÀß¾õ¶·¡¢ÃÏ¿ÞÅù¤òºÜ¤»¤Æ¤¤¤Þ¤¹¡£
Àîºê»Ô¿Ëà¶èÅиÍ51³¹¶è¤Ë¤Ä¤¤¤Æ

Îв½·×²è¿Þ[½Ðŵ¡§Àîºê»Ô]
¡¡¡Ö(²¾¾Î)¿ÀÆàÀÀîºê»Ô¿Ëà¶èÅиÍ51³¹¶è·×²è¡×¤ÏÅÚÃ϶è²èÀ°Íý»ö¶È¤¬¹Ô¤ï¤ì¤Æ¤¤¤ë¾®Åĵޡָþ¥öµÖÍ·±à¡×±Ø¤ÎË̸ý¦¤ÎºÆ³«È¯¤Ç¡¢µ¬ÌϤÏÃϾå25³¬¡¢¹â¤µ79.98m¡¢ºÇ¹â¹â¤µ89.98m¡¢ÉßÃÏÌÌÀÑÌó3,450Ö¡¢·úÃÛÌÌÀÑÌó1,460Ö¡¢±ä¾²ÌÌÀÑÌó2Ëü5290Ö¡¢Áí¸Í¿ô241¸Í¡¢·úÃÛ¼ç¤Ï»°°æÉÔÆ°»º¥ì¥¸¥Ç¥ó¥·¥ã¥ë¡¢¾®ÅĵÞÉÔÆ°»º¡¢À߷׼ԤȻܹ©¼Ô¤Ï»°°æ½»Í§·úÀߤÇ2025ǯ10·îÃæ½Ü½×¹©Í½Äê¤È¤Ê¤Ã¤Æ¤¤¤Þ¤¹¡£

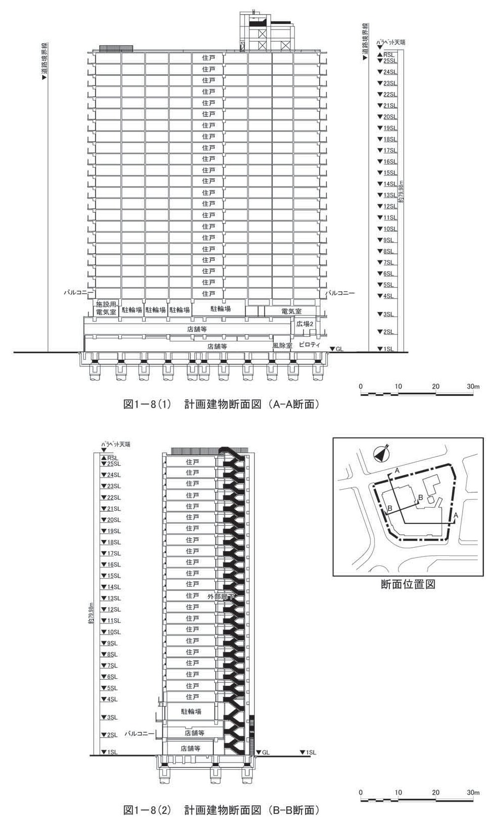
ÃÇÌÌ¿Þ[½Ðŵ¡§Àîºê»Ô]
¡¡¥Õ¥í¥¢¹½À®¤Ï1¡Á2³¬¤¬Å¹ÊÞ¡¢3³¬¤¬ÃóÎØ¾ì¤äÅŵ¤¼¼Åù¡¢¤½¤·¤Æ4³¬¡Á25³¬¤¬½»Âð¥Õ¥í¥¢¤Ë¤Ê¤ê¤Þ¤¹¡£

ΩÌÌ¿Þ[½Ðŵ¡§Àîºê»Ô]
¡¡Ãó¼Ö¾ì¤Ï160ÂæÊ¬¤¬ÍѰդµ¤ì¥¿¥ï¡¼¥Ñ¡¼¥¥ó¥°µÚ¤ÓÊ¿ÃÖ¤Ãó¼Ö¾ì¤òÀ°È÷¤¹¤ë·×²è¤È¤Ê¤Ã¤Æ¤¤¤Þ¤¹¡£

ΩÌÌ¿Þ[½Ðŵ¡§Àîºê»Ô]
¡¡¤³¤ÎΩÌ̿ޤÀ¤ÈÈľõ¤Ë¸«¤¨¤Þ¤¹¤¬¥Ø¤Î»ú·¿¤Î¥¿¥ï¡¼¥Þ¥ó¥·¥ç¥ó¤Ë¤Ê¤ê¤Þ¤¹¡£
Ê¿ÌÌ¿Þ

1¡¢2³¬Ê¿ÌÌ¿Þ[½Ðŵ¡§Àîºê»Ô]
¡¡1³¬¤ÎÆî¦¤È2³¬¤ÏŹÊÞ¥¹¥Ú¡¼¥¹¤È¤Ê¤ê¡¢¥Þ¥ó¥·¥ç¥ó¤Î¥¨¥ó¥È¥é¥ó¥¹¥Û¡¼¥ë¤Ï1³¬Å즤ËÇÛÃÖ¤µ¤ì¤Þ¤¹¡£

3¡¢4³¬Ê¿ÌÌ¿Þ[½Ðŵ¡§Àîºê»Ô]
¡¡3³¬¤Ë¤ÏÃóÎØ¾ì¤È½¸²ñ¼¼¤¬ÇÛÃÖ¤µ¤ì4³¬¤«¤é¤¬½»Âð¥Õ¥í¥¢¤Ë¤Ê¤ê¤Þ¤¹¡£½»Âð¤ÏÌó40¡Á80֤Υե¡¥ß¥ê¡¼¥¿¥¤¥×¤Ç·×²è¤µ¤ì¤Æ¤¤¤Þ¤¹¡£

5¡Á25³¬Ê¿ÌÌ¿Þ[½Ðŵ¡§Àîºê»Ô]
¡¡ºÇ¾å³¬¤Î25³¬¤Þ¤Ç¤¬½»Âð¥Õ¥í¥¢¤È¤Ê¤ê¤Þ¤¹¡£¤Þ¤¿¡¢25³¬¤ÎË̦¤ËÇÛÃÖ¤µ¤ì¤ë¶¦ÍÑÉô¤Ï¥¹¥«¥¤¥é¥¦¥ó¥¸¤«¥²¥¹¥È¥Ï¥¦¥¹¤Ë¤Ê¤ë¤â¤Î¤È»×¤ï¤ì¤Þ¤¹¡£

PH³¬Ê¿Ì̿ޡ¢²°º¬Éú¿Þ[½Ðŵ¡§Àîºê»Ô]
¡¡²°¾åÄí±à¤âÇÛÃÖ¤µ¤ì¤ë¤Î¤Ç¤³¤³¤â¶¦ÍÑ»ÜÀߤʤé¤Ð¡¢25³¬¤Î¶¦ÍÑÉô¤È¹ç¤ï¤»¤ë¤È¤Û¤Ü360Å٤ηʿ§¤ò³Ú¤·¤à¤³¤È¤¬¤Ç¤¤½¤¦¤Ç¤¹¡£
°ÌÃÖ¿Þ

°ÌÃÖ¿Þ[½Ðŵ¡§Àîºê»Ô]
¡¡·úÀßÃϤϾ®ÅĵÞÅÅÅ´¾®Åĸ¶Àþ¡Ö¸þ¥öµÖÍ·±à¡×±Ø¤ÎË̦¤Ç¡¢ÆîÅ즤ˤϡ֥¢¥È¥é¥¹¥¿¥ï¡¼¸þ¥öµÖÍ·±à¡×(ÃϾå23³¬¡¢¹â¤µ78.94m)¤¬¤¢¤ê¤Þ¤¹¡£¤Þ¤¿¡¢¿Þ¤Î±¦¾å¤Ë¤¢¤ëJRÆîÉðÀþ¡ÖÅи͡ױؤâÅÌÊâ·÷¤Ç¤¹¡£

°ÌÃÖ¿Þ[½Ðŵ¡§Àîºê»Ô]
¡¡Æ±ºÆ³«È¯¤ÎÉßÃϤâ´Þ¤á¤Æ¼þÊդǤÏÅÚÃ϶è²èÀ°Íý»ö¶È¤¬¹Ô¤ï¤ì¤Æ¤ª¤ê¡¢Æ»Ï©ÌÖ¤â¶è²è¤âÂ礤¯ÊѤï¤ê¤Þ¤¹¡£
·úÀß¾õ¶·

¡¡2023ǯ5·î30Æü¤Ë¾®Åĵޡָþ¥öµÖÍ·±à¡×±ØÁ°¤«¤é»£±Æ¤·¤¿¡Ö(²¾¾Î)¿ÀÆàÀÀîºê»Ô¿Ëà¶èÅиÍ51³¹¶è·×²è¡×(ÃϾå25³¬¡¢ºÇ¹â¹â¤µ89.98m)¤Î·úÀßÃϤǤ¹¡£

¡¡¡Ö¸þ¥öµÖÍ·±à¡×±Ø¤«¤é»£±Æ¡£»£±Æ»þ¤Îºî¶ÈͽÄê¤Ï¹º¹©»ö¤È¤Ê¤Ã¤Æ¤¤¤Þ¤·¤¿¡£

¡¡À¾Â¦¤«¤é»£±Æ¡£±¦Â¦¤Î¥¿¥ï¡¼¥Þ¥ó¥·¥ç¥ó¤¬¡Ö¥¢¥È¥é¥¹¥¿¥ï¡¼¸þ¥öµÖÍ·±à¡×(ÃϾå23³¬¡¢¹â¤µ78.94m)¤Ç¡¢¤³¤ì¤È¤Û¤ÜƱ¤¸¹â¤µ¤Î¥¿¥ï¡¼¥Þ¥ó¥·¥ç¥ó¤¬¤³¤³¤Ë·úÀߤµ¤ì¤Þ¤¹¡£

¡¡³«¤¤¤Æ¤¤¤¿¥²¡¼¥È¤«¤éÃæ¤ò»£±Æ¡£

¡¡Ë̦¤«¤é»£±Æ¡£

¡¡²¾°Ï¤¤¤ÎÃæ¤Ç¤¹¡£

¡¡Å즤«¤é»£±Æ¡£

¡¡Æî¦¤«¤é»£±Æ¡£¿·ÃÛʬ¾ù¥Þ¥ó¥·¥ç¥ó·úÀßÃϤδÇÈĤâÀßÃÖ¤µ¤ì¤Æ¤¤¤Þ¤·¤¿¡£
ÃÏ¿Þ
ʪ·ï³µÍ×

¡¡°ÊÁ°ÀßÃÖ¤µ¤ì¤Æ¤¤¤¿»ö¶È·×²è¤Î¹½ÁۤγµÍפǤ¹¡£

¡¡ÅÚÃÏÍøÍѷײè¿Þ¤Ç¤¹¡£

¡¡»ö¶È·×²è¤Î¤ªÃΤ餻¤Ç¤¹¡£
¢£Êª·ï³µÍ×¢£
»ö¶È̾¡§(²¾¾Î)¿ÀÆàÀÀîºê»Ô¿Ëà¶èÅиÍ51³¹¶è·×²è
½êºßÃÏ¡§¿ÀÆàÀÀîºê»Ô¿Ëà¶èÅиÍ51³¹¶è
¸òÄÌ¡§¾®ÅĵÞÅÅÅ´¾®Åĸ¶Àþ¡Ö¸þ¥öµÖÍ·±à¡×±Ø
ÍÑÅÓ¡§¶¦Æ±½»Âð¡¢Å¹ÊÞ
Áí¸Í¿ô¡§241¸Í
³¬¿ô¡§ÃϾå25³¬
¹â¤µ¡§79.98m(ºÇ¹â¹â¤µ89.98m)
¹½Â¤¡§Å´¶Ú¥³¥ó¥¯¥ê¡¼¥È¤¡¢°ìÉôÅ´¹ü¤
ÉßÃÏÌÌÀÑ¡§Ìó3,450Ö
·úÃÛÌÌÀÑ¡§Ìó1,460Ö
±ä¾²ÌÌÀÑ¡§Ìó25,290Ö
·úÃۼ硧»°°æÉÔÆ°»º¥ì¥¸¥Ç¥ó¥·¥ã¥ë¡¢¾®ÅĵÞÉÔÆ°»º
Àß·×¼Ô¡§»°°æ½»Í§·úÀß
»Ü¹©¼Ô¡§»°°æ½»Í§·úÀß
¹©´ü¡§2023ǯ1·îÃæ½ÜÃ幩¡Á2025ǯ10·îÃæ½Ü½×¹©Í½Äê
- ¥«¥Æ¥´¥ê
- Àîºê»Ô







