
´°À®Í½ÁÛ¿Þ[½Ðŵ¡§Àîºê»Ô]
¡¡µþµÞÀîºê±Ø¤ÎÀ¾Â¦ÎÙÀÜÃϤκƳ«È¯¡Ö(²¾¾Î)µþµÞÀîºê±ØÀ¾¸ýÃ϶èÂè°ì¼ï»Ô³¹ÃϺƳ«È¯»ö¶È¡×(ÃϾå24³¬¡¢¹â¤µÌó119m)¤Î¾òÎ㸫²ò½ñ¤¬¸ø³«¤µ¤ì¤Þ¤·¤¿¡£Æ±ºÆ³«È¯¤ÏÄãÁØÉô¤Ë¾¦¶È»ÜÀߤ¬Æþ¤ëÈľõ¤Î͹âÁØ¥ª¥Õ¥£¥¹¥Ó¥ë¤Ç¡¢µþµÞÀîºê±ØÀ¾¸ýÁ°¤Ë¤¢¤ë¡Ö¥è¥É¥Ð¥·¥¢¥¦¥È¥ì¥Ã¥ÈµþµÞÀîºê¡×Åù¤¬¤¢¤ë¾ì½ê¤¬·×²èÃϤˤʤäƤ¤¤Þ¤¹¡£¤³¤Îµ»ö¤Ç¤ÏƱºÆ³«È¯¤Î³µÍפ丽¶·¡¢ÃÏ¿ÞÅù¤òºÜ¤»¤Æ¤¤¤Þ¤¹¡£
(²¾¾Î)µþµÞÀîºê±ØÀ¾¸ýÃ϶è¤Ë¤Ä¤¤¤Æ

ÅÚÃÏÍøÍѷײè¿Þ[½Ðŵ¡§Àîºê»Ô]
¡¡¡Ö(²¾¾Î)µþµÞÀîºê±ØÀ¾¸ýÃ϶èÂè°ì¼ï»Ô³¹ÃϺƳ«È¯»ö¶È¡×¤ÏµþµÞÀîºê±Ø¤ÎÀ¾Â¦ÎÙÀÜÃϤκƳ«È¯¤Ç¡¢Â絬ÌϤÊA-1³¹¶è¤È¾®µ¬ÌϤÊA-2³¹¶è¤Ëʬ¤«¤ì¤Æ¤ª¤ê¡¢A-1³¹¶è¤Îµ¬ÌϤÏÃϾå24³¬¡¢Åã²°1³¬¡¢Ãϲ¼1³¬¡¢¹â¤µÌó119m¡¢ÉßÃÏÌÌÀÑÌó7,300Ö¡¢·úÃÛÌÌÀÑÌó4,290Ö¡¢±ä¾²ÌÌÀÑÌó8Ëü3000Ö¡¢A-2³¹¶è¤Îµ¬ÌϤÏÃϾå11³¬¡¢Åã²°1³¬¡¢¹â¤µÌó46m¡¢ÉßÃÏÌÌÀÑÌó350Ö¡¢·úÃÛÌÌÀÑÌó210Ö¡¢±ä¾²ÌÌÀÑÌó2,170֤ǷúÃÛ¼ç¤ÏµþµÞÀîºê±ØÀ¾¸ýÃ϶è»Ô³¹ÃϺƳ«È¯½àÈ÷Áȹç¤È¤Ê¤Ã¤Æ¤¤¤Þ¤¹¡£
¡¡Æ±ºÆ³«È¯¤Ë¤Ä¤¤¤Æ¾òÎ㸫²ò½ñ¤¬¸ø³«¤È¤Ê¤ê¤Þ¤·¤¿¤¬¡¢·×²è¤¬Êѹ¹¤Ë¤Ê¤ë¤è¤¦¤ÊÆâÍÆ¤Ï¸«Åö¤¿¤ê¤Þ¤»¤ó¤Ç¤·¤¿¡£
¢§Àîºê»Ô¡§´Ä¶±Æ¶Áɾ²Á¡Ê´Ä¶¥¢¥»¥¹¥á¥ó¥È¡Ë(2023ǯ2·î24Æü)
¡Ê²¾¾Î¡ËµþµÞÀîºê±ØÀ¾¸ýÃ϶èÂè°ì¼ï»Ô³¹ÃϺƳ«È¯»ö¶È¤Ë·¸¤ë¾òÎ㸫²ò½ñ

ÃÇÌÌ¿Þ(A-1³¹¶è¡§ÆîËÌ)[½Ðŵ¡§Àîºê»Ô]
¡¡A-1³¹¶è¤Î¥Õ¥í¥¢¹½À®¤Ï¡¢1¡Á3³¬¤¬¾¦¶È»ÜÀß¡¢4³¬¤¬¥ª¥Õ¥£¥¹¥¹¥«¥¤¥í¥Ó¡¼Åù¡¢5³¬¡Á23³¬¤¬¥ª¥Õ¥£¥¹¥Õ¥í¥¢¡¢¤½¤·¤ÆºÇ¾å³¬¤Î24³¬¤Ë¤Ï¥é¥¦¥ó¥¸¤È²°¾å¥Æ¥é¥¹¤¬Àߤ±¤é¤ì¤Þ¤¹¡£

ÃÇÌÌ¿Þ(A-1³¹¶è¡§ÅìÀ¾)[½Ðŵ¡§Àîºê»Ô]
¡¡·×²èÃϤϵþµÞÀîºê±Ø¤ÎÀ¾¸ýÁ°¤Ç¡¢±Ø¤È¤Î´Ö¤Ëƻϩ¤ò¶´¤Þ¤Ê¤¤¤Î¤Ç±ØÄ¾·ë¤È¤â¸À¤¨¤½¤¦¤Ê¾ì½ê¤È¤Ê¤Ã¤Æ¤¤¤Þ¤¹¡£

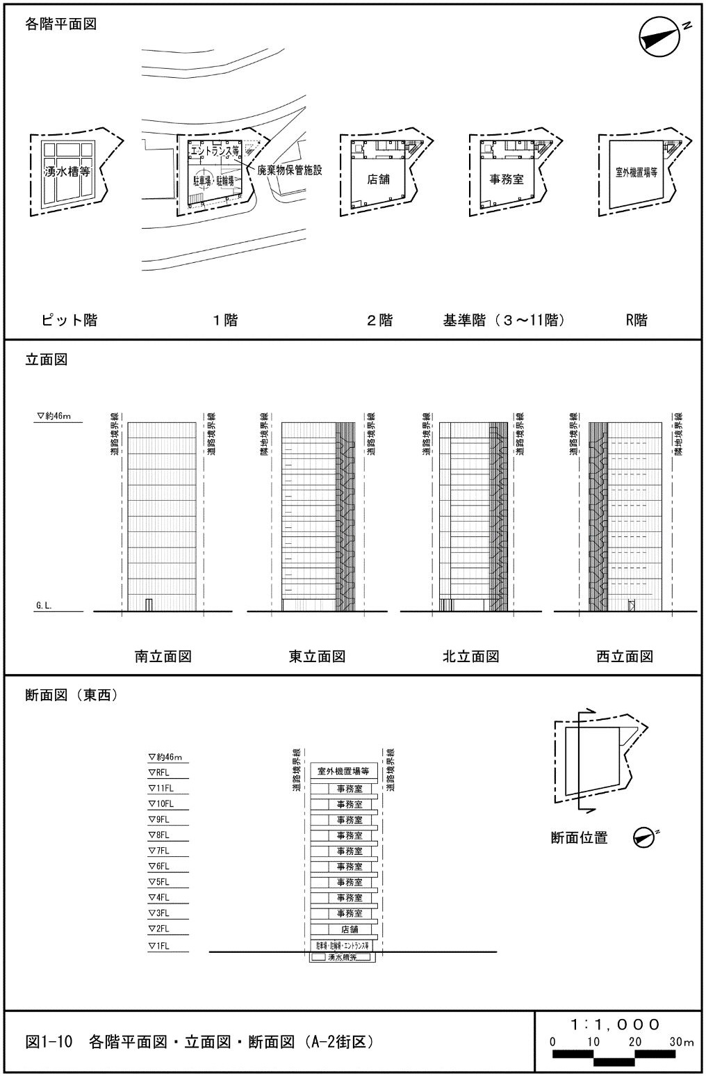
³Æ³¬Ê¿Ì̿ޡ¦Î©Ì̿ޡ¦ÃÇÌÌ¿Þ(A-2³¹¶è)[½Ðŵ¡§Àîºê»Ô]
¡¡A-2³¹¶è¤ÎÊ¿Ì̿ޡ¦Î©Ì̿ޡ¦ÃÇÌ̿ޤǤ¹¡£A-2³¹¶è¤Ï2³¬¤ËŹÊÞ¤¬Æþ¤ë¾®µ¬ÌϤʥª¥Õ¥£¥¹¥Ó¥ë¤È¤Ê¤ê¤Þ¤¹¡£
Ê¿ÌÌ¿Þ

³Æ³¬Ê¿ÌÌ¿Þ(A-1³¹¶è¡§¥Ô¥Ã¥È³¬¡¢Ãϲ¼1³¬)[½Ðŵ¡§Àîºê»Ô]
¡¡A-1³¹¶è¤ÎÃϲ¼¤ÏÃó¼Ö¾ì¤äÃóÎØ¾ì¤Ê¤É¤È¤·¤ÆÍøÍѤµ¤ì¤Þ¤¹¡£Ãϲ¼1³¬¤Ë¤Ï¼Ö´ó¤»¤âÇÛÃÖ¤µ¤ì¤Þ¤¹¡£

³Æ³¬Ê¿ÌÌ¿Þ(A-1³¹¶è¡§1³¬¡¢2³¬)[½Ðŵ¡§Àîºê»Ô]
¡¡1³¬¤È2³¬¤ËŹÊÞ¥¹¥Ú¡¼¥¹¤¬Àߤ±¤é¤ì¡¢1³¬¤Ë¤Ï¥¿¥¯¥·¡¼¾è¤ê¾ì¤âÀ°È÷¤µ¤ì¤Þ¤¹¡£

³Æ³¬Ê¿ÌÌ¿Þ(A-1³¹¶è¡§3³¬¡¢4³¬)[½Ðŵ¡§Àîºê»Ô]
¡¡3³¬¤Þ¤Ç¤¬Å¹ÊÞ¥¹¥Ú¡¼¥¹¤Ç¡¢4³¬¤Ï¥ª¥Õ¥£¥¹¤Î¥¹¥«¥¤¥í¥Ó¡¼¤È¤Ê¤ê¤Þ¤¹¡£

³Æ³¬Ê¿ÌÌ¿Þ(A-1³¹¶è¡§5³¬¡¢´ð½à³¬ 6¡Á23³¬)[½Ðŵ¡§Àîºê»Ô]
¡¡¤½¤·¤Æ5³¬¡Á23³¬¤Ï¥ª¥Õ¥£¥¹¥Õ¥í¥¢¤È¤Ê¤ê¤Þ¤¹¡£

³Æ³¬Ê¿ÌÌ¿Þ(A-1³¹¶è¡§24³¬¡¢PH1³¬)[½Ðŵ¡§Àîºê»Ô]
¡¡24³¬¤Ë¤Ï¥é¥¦¥ó¥¸¤È²°¾å¥Æ¥é¥¹¤¬ÀßÃÖ¤µ¤ì¤Þ¤¹¡£¥¨¥ì¥Ù¡¼¥¿¡¼¤ÎÇÛÃÖÅù¤ò¸«¤¿´¶¤¸¤Ç¤Ï¥ª¥Õ¥£¥¹¥ï¡¼¥«¡¼ÀìÍѤΥ¹¥Ú¡¼¥¹¤È¤Ê¤ê¤½¤¦¤Ç¤¹¡£
ΩÌÌ¿Þ

ΩÌÌ¿Þ(A-1³¹¶è¡§ÅìΩÌ̿ޡ¦ÆîΩÌÌ¿Þ)[½Ðŵ¡§Àîºê»Ô]
¡¡Åì¦¤ÈÆî¦¤ÎΩÌ̿ޤǤ¹¡£

ΩÌÌ¿Þ(A-1³¹¶è¡§À¾Î©Ì̿ޡ¦ËÌΩÌÌ¿Þ)[½Ðŵ¡§Àîºê»Ô]
¡¡À¾Â¦¤ÈË̦¤ÎΩÌ̿ޤǤ¹¡£
°ÌÃÖ¿Þ

·×²èÃϰÌÃÖ¿Þ(¹°è)[½Ðŵ¡§Àîºê»Ô]
¡¡¡Ö(²¾¾Î)µþµÞÀîºê±ØÀ¾¸ýÃ϶èÂè°ì¼ï»Ô³¹ÃϺƳ«È¯»ö¶È¡×¤Ï¡ÖµþµÞÀîºê¡×±Ø¤ÎÀ¾¸ýÎÙÀÜÃϤ˰ÌÃÖ¤·¤Æ¤¤¤Þ¤¹¡£JR¡ÖÀîºê¡×±Ø¤«¤é¸«¤ë¤ÈËÌÅ즤˰ÌÃÖ¤·¤Æ¤ª¤êÃϲ¼³¹¤Î¡ÖÀîºê¥¢¥¼¥ê¥¢¡×·Ðͳ¤Çƻϩ¤òÅϤ뤳¤È¤Ê¤¯¥¢¥¯¥»¥¹²Äǽ¤Ç¤¹¡£

·×²èÃϰÌÃÖ¿Þ(¾ÜºÙ)[½Ðŵ¡§Àîºê»Ô]
¡¡·×²èÃϤˤϡ֥è¥É¥Ð¥·¥¢¥¦¥È¥ì¥Ã¥ÈµþµÞÀîºê¡×¤Ê¤É9¤Ä¤Î´û¸·úʪ¤¬¤¢¤ê¡¢Â¾¤ÏÃó¼Ö¾ì¤È¤·¤ÆÍøÍѤµ¤ì¤Æ¤¤¤Þ¤¹¡£ºÆ³«È¯¸å¤Ï¼þ°Ï¤Ëƻϩ¤â¿·Àߤµ¤ì¤Þ¤¹¡£
¸½¶·

¡¡2022ǯ7·î29Æü¤Ë»£±Æ¤·¤¿¡Ö(²¾¾Î)µþµÞÀîºê±ØÀ¾¸ýÃ϶èÂè°ì¼ï»Ô³¹ÃϺƳ«È¯»ö¶È¡×(ÃϾå24³¬¡¢¹â¤µÌó119m)¤Î·×²èÃÏÊýÌ̤Ǥ¹¡£

¡¡·×²èÃÏÆâ¤Ë¤Ï¡Ö¥è¥É¥Ð¥·¥¢¥¦¥È¥ì¥Ã¥ÈµþµÞÀîºê¡×¤¬¤¢¤ê¤Þ¤¹¡£

¡¡¤³¤Î¡Ö¥è¥É¥Ð¥·¥¢¥¦¥È¥ì¥Ã¥ÈµþµÞÀîºê¡×¤¬¤¢¤ë¾ì½ê¤¢¤¿¤ê¤ËA-1³¹¶è¤Î͹âÁØ¥Ó¥ëËÜÂΤ¬·úÀߤµ¤ì¤Þ¤¹¡£

¡¡µþµÞÀîºê±Ø¤Î¥Û¡¼¥à¤«¤é»£±Æ¡£¤³¤Î¿¿²¼¤¢¤¿¤ê¤ËµþµÞÀîºê±Ø¤ÎÀ¾¸ý¤¬¤¢¤ê¤Þ¤¹¡£
ÃÏ¿Þ
ʪ·ï³µÍ×(A-1³¹¶è)

¹©»ö¹©Äø[½Ðŵ¡§Àîºê»Ô]
¡¡¹©»ö´ü´Ö¤ÏÁ´ÂΤÇÌó60¥õ·î¤Ç¡¢²òÂι©»ö¤ËÌó14¥õ·î¡¢Â¤À®¹©»ö¤ËÌó5¥õ·î¡¢·úÃÛ¹©»ö¤ËÌó44¥õ·î¤òͽÄꤷ¤Æ¤¤¤Þ¤¹¡£¤¿¤À¡¢Ã幩»þ´ü¤ÎµºÜ¤Ï¸«Åö¤¿¤ê¤Þ¤»¤ó¤Ç¤·¤¿¡£

¹©»ö¥¹¥Æ¥Ã¥×¿Þ(¹©»ö³«»Ï1¡Á13¥ö·îÌÜ)[½Ðŵ¡§Àîºê»Ô]
¡¡ºÇ½é¤Î13¥ö·î¤Þ¤Ç¤Ï²¾À߯»Ï©¹©»ö¤ä²òÂι©»ö¤¬¹Ô¤ï¤ì¡¢A-2³¹¶è¤ÏÀè¹Ô¤·¤Æ·úÀߤ¬³«»Ï¤·¤Þ¤¹¡£

¹©»ö¥¹¥Æ¥Ã¥×¿Þ(¹©»ö³«»Ï14¡Á33¥ö·îÌÜ)[½Ðŵ¡§Àîºê»Ô]
¡¡17¥õ·îÌܤ«¤é¤ÏA-1³¹¶è¤Î·úÀß¹©»ö¤â»Ï¤Þ¤ê¡¢24¥õ·î·Ð¤Äº¢¤Ë¤ÏA-2³¹¶è¤¬´°À®¤·¤Æ¤¤¤Þ¤¹¡£

¹©»ö¥¹¥Æ¥Ã¥×¿Þ(¹©»ö³«»Ï34¡Á60¥ö·îÌÜ)[½Ðŵ¡§Àîºê»Ô]
¡¡¤½¤·¤Æ¹©»öÃå¼ê¤«¤é60¥õ·î¸å¤Ë¤ÏA-1³¹¶è¤â´°À®Í½Äê¤È¤Ê¤Ã¤Æ¤¤¤Þ¤¹¡£
¢£Êª·ï³µÍ×(A-1³¹¶è)¢£
»ö¶È̾¡§(²¾¾Î)µþµÞÀîºê±ØÀ¾¸ýÃ϶èÂè°ì¼ï»Ô³¹ÃϺƳ«È¯»ö¶È
½êºßÃÏ¡§¿ÀÆàÀÀîºê»ÔÀîºê¶è±ØÁ°ËÜÄ®21ÈÖÃϤۤ«
¸òÄÌ¡§µþÉ͵޹ÔËÜÀþ¡¦Âç»ÕÀþ¡ÖµþµÞÀîºê¡×±Ø
¡¡¡¡¡¡JR³ÆÀþ¡ÖÀîºê¡×±Ø
ÍÑÅÓ¡§¶È̳¡¢¾¦¶È¡¢Ãó¼Ö¾ìÅù
³¬¿ô¡§ÃϾå24³¬¡¢Åã²°1³¬¡¢Ãϲ¼1³¬
¹â¤µ¡§Ìó119m
¹½Â¤¡§Å´¹ü¤(°ìÉôCFT¤)¡¢Å´¶Ú¥³¥ó¥¯¥ê¡¼¥È¤¡¢Å´¹üÅ´¶Ú¥³¥ó¥¯¥ê¡¼¥È¤
ÉßÃÏÌÌÀÑ¡§Ìó7,300Ö
·úÃÛÌÌÀÑ¡§Ìó4,290Ö
±ä¤ÙÌÌÀÑ¡§Ìó83,000֡ʶÈ̳¡§Ìó71,100Ö¡¢¾¦¶È¡§Ìó4,700Ö¡¢Ãó¼Ö¾ìÅù¡§Ìó7,200Ö¡Ë
·úÃۼ硧µþµÞÀîºê±ØÀ¾¸ýÃ϶è»Ô³¹ÃϺƳ«È¯½àÈ÷Áȹç
Àß·×¼Ô¡§¡Ý
»Ü¹Ô¼Ô¡§¡Ý
¹©´ü¡§¡Ý
- ¥«¥Æ¥´¥ê
- Àîºê»Ô







