
¡¡Âçºå¤ÎÄá¶¶±Ø¥¨¥ê¥¢¤Ç·úÀßÃæ¤Î¥¿¥ï¡¼¥Þ¥ó¥·¥ç¥ó¡Ö¥ê¥Ð¡¼¥¬¡¼¥Ç¥ó¥¿¥ï¡¼ ¾åÄ®ÂæÉ®¥öºê¡×(ÃϾå35³¬¡¢ºÇ¹â¹â¤µ124.40m)¤Ç¤¹¡£2022ǯ12·î7Æü¤ËËÌÅ즤«¤é»£±Æ¤·¤Þ¤·¤¿¡£¥ê¥Ð¡¼»º¶È¤¬Çä¼ç¤Îʬ¾ù¥¿¥ï¥Þ¥ó¤Ç2023ǯ8·î½×¹©Í½Äê¤È¤Ê¤Ã¤Æ¤¤¤Þ¤¹¡£¤³¤Îµ»ö¤Ç¤ÏƱ¥¿¥ï¥Þ¥ó¤Î³µÍפä·úÀß¾õ¶·¡¢ÃÏ¿ÞÅù¤òºÜ¤»¤Æ¤¤¤Þ¤¹¡£
¥ê¥Ð¡¼¥¬¡¼¥Ç¥ó¥¿¥ï¡¼ ¾åÄ®ÂæÉ®¥öºê¤Ë¤Ä¤¤¤Æ

³°´Ñ´°À®Í½ÁÛ¿Þ[½Ðŵ¡§¸ø¼°HP]
¡¡¡Ö¥ê¥Ð¡¼¥¬¡¼¥Ç¥ó¥¿¥ï¡¼ ¾åÄ®ÂæÉ®¥öºê¡×¤ÏÄá¶¶±Ø¤ÎÆî¦¡¢¶Ì¤¶Ú±è¤¤¤Î¥¿¥ï¡¼¥Þ¥ó¥·¥ç¥ó¤Ç¡¢µ¬ÌϤÏÃϾå35³¬¡¢Åã²°1³¬¡¢Ãϲ¼1³¬¡¢¹â¤µ117.00m¡¢ºÇ¹âÉô¹â¤µ124.40m¡¢ÉßÃÏÌÌÀÑ3,024.58Ö¡ÊÅÔ»Ô·×²èÆ»Ï©¤ò½ü¤¯ÉßÃÏÌÌÀÑ¡§2,767.89Ö¡Ë¡¢·úÃÛÌÌÀÑ873.07Ö¡¢±ä¾²ÌÌÀÑ2Ëü5020.03Ö¡¢Áí¸Í¿ô194¸Í¡¢À©¿¶¹½Â¤¡¢·úÃÛ¼ç¤Ï¥ê¥Ð¡¼»º¶È¡¢Àß·×¼Ô¤ÏÆü´ëÀ߷ס¢»Ü¹©¼Ô¤Ï¥ê¥Ð¡¼»º¶È¤Ç2023ǯ8·î½×¹©¡¢2023ǯ11·îͽÄêÆþµï³«»ÏͽÄê¤È¤Ê¤Ã¤Æ¤¤¤Þ¤¹¡£
¡¡¸½ºß¤Ï9¸Í¤¬ÀèÃå½çÈÎÇäÃæ¤ÇÈÎÇä´Ö¼è¤ê¤Ï3LDK¡¢ÀìÍÌÌÀѤÏ67.47Ö¡Á87.29Ö¡¢¥Ð¥ë¥³¥Ë¡¼ÌÌÀÑ6.92Ö¡Á9.37Ö¡¢ÈÎÇä²Á³Ê¤Ï6598Ëü±ß¡Á9298Ëü±ß¤È¤Ê¤Ã¤Æ¤¤¤Þ¤¹¡£¤Þ¤¿¡¢º£·î¤Ë¤ÏÂè2´ü¤Î3¸Í¤¬ÈÎÇäͽÄê¤Ç¡¢ÈÎÇä´Ö¼è¤ê¤Ï2LDK¡Á3LDK¡¢ÀìÍÌÌÀѤÏ63.26Ö¡Á100.77Ö¡¢¥Ð¥ë¥³¥Ë¡¼ÌÌÀÑ6.54Ö¡Á17.24Ö¡¢ÈÎÇä²Á³Ê¤Ï4900Ëü±ßÂæ¡Á8900Ëü±ßÂæ¤È¤Ê¤Ã¤Æ¤¤¤Þ¤¹¡£

¥¨¥ó¥È¥é¥ó¥¹¥Û¡¼¥ë´°À®Í½ÁÛ¿Þ[½Ðŵ¡§¸ø¼°HP]
¡¡¥¨¥ó¥È¥é¥ó¥¹¥Û¡¼¥ë¤ÏÅ·Á³ÀФΡ֥¸¥¢¡¼¥í¥µ¥ó¥Õ¥é¥ó¥·¥¹¥³¥ì¥¢¥ë¡×¤òºÎÍѤ·¤¿¥Ç¥¶¥¤¥ó¥¦¥©¡¼¥ë¤Î¤¢¤ë¶õ´Ö¤È¤Ê¤ê¤Þ¤¹¡£

¥¨¥ó¥È¥é¥ó¥¹¥í¥Ó¡¼´°À®Í½ÁÛ¿Þ[½Ðŵ¡§¸ø¼°HP]
¡¡¥¨¥ó¥È¥é¥ó¥¹¥í¥Ó¡¼¤Ï2ÁØ¿á¤È´¤±¹â¤µÌó5.3m¡¢ÉýÌó24m¤ÎµðÂç¤Ê¥Ñ¥Î¥é¥Þ¥¬¥é¥¹¥¦¥©¡¼¥ë¤òºÎÍѤ·¤¿¶õ´Ö¤È¤Ê¤ê¡¢»ÍÃʤÎÂì¤ä¿§Á¯¤ä¤«¤Ê¿¢ºÏ¤ò˾¤à¤³¤È¤¬¤Ç¤¤ë¤è¤¦¤Ë¤Ê¤ê¤Þ¤¹¡£

¿çÏ¡¤ÎÃÓ ´°À®Í½ÁÛ¿Þ[½Ðŵ¡§¸ø¼°HP]
¡¡ÉßÃϤÎ70%¤òͤ¨¤ë2,100Öͤ¬¥¬¡¼¥Ç¥ó¤È¤Ê¤ê¡¢Ìó7100ËܤμùÌÚ¤ÈÌó6900³ô¤ÎÁð²Ö¤¬¿¢¤¨¤é¡¢°õ¾ÝÇɤΥâ¥Í¤¬ÉÁ¤Â³¤±¤¿¥Õ¥é¥ó¥¹¡¦¥¸¥ô¥§¥ë¥Ë¡¼¤ÎÄí¤ò¥â¥Á¡¼¥Õ¤Ë¤·¤¿¡Ö¿çÏ¡¤ÎÃӡפâÀ°È÷¤µ¤ì¤Þ¤¹¡£

¥ª¡¼¥Ê¡¼¥º¥é¥¦¥ó¥¸´°À®Í½ÁÛ¿Þ[½Ðŵ¡§¸ø¼°HP]
¡¡¶¦ÍÑ»ÜÀߤΥª¡¼¥Ê¡¼¥º¥é¥¦¥ó¥¸¤Î´°À®Í½ÁۿޤǤ¹¡£¥ê¥â¡¼¥È¥ï¡¼¥¯¤Î´Ä¶¤¬À°¤Ã¤¿¥ï¡¼¥¯¥¹¥Ú¡¼¥¹(º¸¾å)¤ä¥ß¡¼¥Æ¥£¥ó¥°¥ë¡¼¥à(±¦¾å)¤âÀßÃÖ¤µ¤ì¤Þ¤¹¡£

¥ß¡¼¥Æ¥£¥ó¥°¥ë¡¼¥à´°À®Í½ÁÛ¿Þ[½Ðŵ¡§¸ø¼°HP]
¡¡¥ß¡¼¥Æ¥£¥ó¥°¥ë¡¼¥à¤Ï¾þ¤ê꤬Ìܤò°ú¤¯¶õ´Ö¤È¤Ê¤ê¤Þ¤¹¡£
´Ö¼è¤ê¿Þ

A¥¿¥¤¥×[½Ðŵ¡§¸ø¼°HP]
¡¡3¡Á17³¬¤Î¥³¥ó¥Õ¥©¡¼¥È¥Õ¥í¥¢¤ËÇÛÃÖ¤µ¤ì¤ëA¥¿¥¤¥×¤Î´Ö¼è¤ê¿Þ¤Ç¤¹¡£´Ö¼è¤ê¤Ï2LDK+WIC+SR¡¢ÀìÍÌÌÀѤÏ63.26Ö¡¢¥Ð¥ë¥³¥Ë¡¼ÌÌÀѤÏ6.54֤ȤʤäƤ¤¤Þ¤¹¡£SR¤Ï¥¹¥È¥Ã¥¯¥ë¡¼¥à(ËɺÒÈ÷ÃßÁÒ¸Ë)¤ÇÀìÍÌÌÀÑ¤Ë´Þ¤Þ¤ì¤Æ¤¤¤Þ¤¹¡£

E¥¿¥¤¥×[½Ðŵ¡§¸ø¼°HP]
¡¡3¡Á17³¬¤ËÇÛÃÖ¤µ¤ì¤ëE¥¿¥¤¥×¤Î´Ö¼è¤ê¿Þ¤Ç¤¹¡£´Ö¼è¤ê¤Ï3LDK+WIC+SIC+SR¡¢ÀìÍÌÌÀѤÏ100.77Ö¡¢¥Ð¥ë¥³¥Ë¡¼ÌÌÀѤÏ17.24֤ȤʤäƤ¤¤Þ¤¹¡£¡Ö¥ê¥Ð¡¼¥¬¡¼¥Ç¥ó¥¿¥ï¡¼ ¾åÄ®ÂæÉ®¥öºê¡×¤ÏÊ¿¶ÑÀìÍÌÌÀѤÏ80ÖĶ¤Ç¡¢Á´ÂΤÎÌó19¡ó¤¬100ÖĶ¤Î½»¸Í¤È¤Ê¤Ã¤Æ¤¤¤Þ¤¹¡£

H¥¿¥¤¥×[½Ðŵ¡§¸ø¼°HP]
¡¡18¡Á32³¬¤Î¥¨¥°¥¼¥¯¥Æ¥£¥Ö¥Õ¥í¥¢¤ËÇÛÃÖ¤µ¤ì¤ëH¥¿¥¤¥×¤Î´Ö¼è¤ê¿Þ¤Ç¤¹¡£´Ö¼è¤ê¤Ï3LDK+SR¡¢ÀìÍÌÌÀѤÏ71.61Ö¡¢¥Ð¥ë¥³¥Ë¡¼ÌÌÀѤÏ10.29֤ȤʤäƤ¤¤Þ¤¹¡£
°ÌÃÖ¿Þ

°ÌÃÖ¿Þ[½Ðŵ¡§¸ø¼°HP]
¡¡·úÀßÃϤÏÂçºå¥á¥È¥íÀéÆüÁ°Àþ¡ÖÄá¶¶¡×±Ø¤«¤éÆî¦¤ØÅÌÊâ4ʬ¤Ç¶Ì¤¶Ú¤ËÌ̤·¤¿¾ì½ê¤Ë¤Ê¤Ã¤Æ¤¤¤Þ¤¹¡£Â¾¤Ë¤âJRÂçºå´Ä¾õÀþ¡¦¶áÅ´ÆàÎÉÀþ¡¦ÂçºåÀþ¡ÖÄá¶¶¡×±Ø¤«¤éÅÌÊâ5ʬ¡¢¶áÅ´ÆñÇÈÀþ¡¦ÆàÎÉÀþ¡¦ÂçºåÀþ¡ÖÂçºå¾åËÜÄ®¡×±Ø¤«¤éÅÌÊâ12ʬ¤È¤Ê¤Ã¤Æ¤¤¤Þ¤¹¡£
·úÀß¾õ¶·

¡¡2022ǯ12·î7Æü¤ËÆîÅ즤«¤é»£±Æ¤·¤¿¡Ö¥ê¥Ð¡¼¥¬¡¼¥Ç¥ó¥¿¥ï¡¼ ¾åÄ®ÂæÉ®¥öºê¡×(ÃϾå35³¬¡¢ºÇ¹â¹â¤µ124.40m)¤Ç¤¹¡£

¡¡Æ±¤¸Æü¤Ë¡Ö¤¢¤Ù¤Î¥Ï¥ë¥«¥¹¡×¤ÎÅ¸Ë¾Âæ¤«¤é»£±Æ¡£

¡¡·úÀßÃϤÎÀ¾Â¦¤Ë¤ÏÂçºå¾åËÜÄ®±Ø¼þÊդΥ¿¥ï¡¼¥Þ¥ó¥·¥ç¥ó¤¬¤¢¤ê¤Þ¤¹¡£
ÃÏ¿Þ
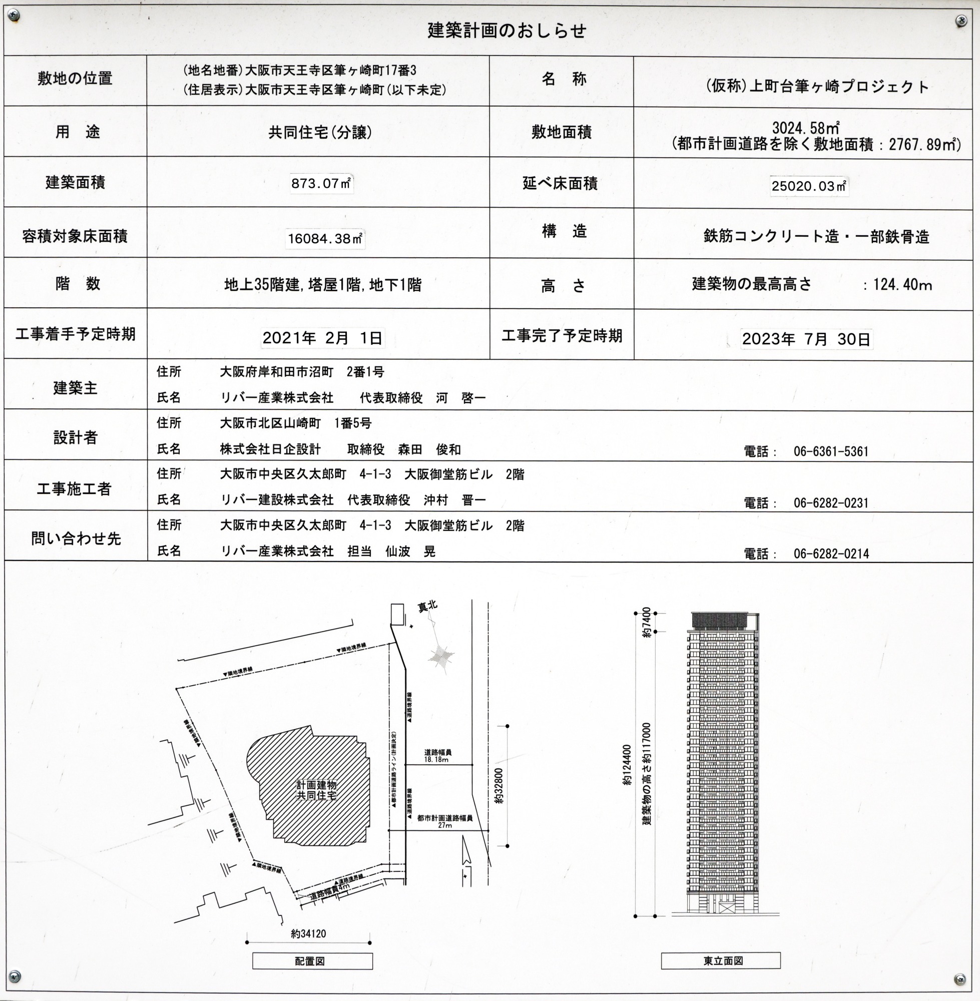
ʪ·ï³µÍ×

¡¡·úÃ۷ײè¤Î¤ªÃΤ餻¤Ç¤¹¡£
¢£Êª·ï³µÍ×¢£
̾¾Î¡§¥ê¥Ð¡¼¥¬¡¼¥Ç¥ó¥¿¥ï¡¼ ¾åÄ®ÂæÉ®¥öºê
»ö¶È̾¡§(²¾¾Î)¾åÄ®ÂæÉ®¥±ºê¥×¥í¥¸¥§¥¯¥È
½êºßÃÏ¡§ÂçºåÉÜÂçºå»ÔÅ·²¦»û¶èÉ®¥±ºêÄ®17ÈÖ3¹æ¡ÊÃÏÈÖ¡Ë
¸òÄÌ¡§Âçºå¥á¥È¥íÀéÆüÁ°Àþ¡ÖÄá¶¶¡×±Ø ÅÌÊâ4ʬ
¡¡¡¡¡¡JRÂçºå´Ä¾õÀþ¡¦¶áÅ´ÆàÎÉÀþ¡¦ÂçºåÀþ¡ÖÄá¶¶¡×±Ø ÅÌÊâ5ʬ
¡¡¡¡¡¡¶áÅ´ÆñÇÈÀþ¡¦ÆàÎÉÀþ¡¦ÂçºåÀþ¡ÖÂçºå¾åËÜÄ®¡×±Ø ÅÌÊâ12ʬ
ÍÑÅÓ¡§¶¦Æ±½»Âð¡Êʬ¾ù¡Ë
Áí¸Í¿ô¡§194¸Í¡ÊÊ罸Âоݳ°½»¸Í23¸Í´Þ¤à¡£°ìÉô½»¸Í¤Ë¤Æ½»¸ÍÏ¢·ë¤Îʬ¾ù¤Î²ÄǽÀ¤¢¤ê¡£¡Ë
³¬¿ô¡§ÃϾå35³¬¡¢Åã²°1³¬¡¢Ãϲ¼1³¬
¹â¤µ¡§117.00m¡ÊºÇ¹âÉô¹â¤µ124.40m¡Ë
ÉßÃÏÌÌÀÑ¡§3,024.58Ö¡ÊÅÔ»Ô·×²èÆ»Ï©¤ò½ü¤¯ÉßÃÏÌÌÀÑ¡§2,767.89Ö¡Ë
·úÃÛÌÌÀÑ¡§873.07Ö
±ä¾²ÌÌÀÑ¡§25,020.03Ö
¹½Â¤¡§Å´¶Ú¥³¥ó¥¯¥ê¡¼¥È¤¡¦°ìÉôÅ´¹ü¤¡¢À©¿¶¹½Â¤
·úÃۼ硧¥ê¥Ð¡¼»º¶È
Àß·×¼Ô¡§Æü´ëÀß·×
»Ü¹©¼Ô¡§¥ê¥Ð¡¼»º¶È
¹©´ü¡§2021ǯ2·î1ÆüÃ幩ͽÄê¡Á2023ǯ8·î½×¹©Í½Äê
Æþµï¡§2023ǯ11·îͽÄê
¸ø¼°HP¡§https://rg194-tower.jp/
- ¥«¥Æ¥´¥ê
- Âçºå»Ô







